WELCOME TO WUXI ANDGE BEARING CO.,LTD.

Product parameters
| Specifications | |||
| Engineering Group | Mounted Bearing | ||
|---|---|---|---|
| Bearing Number | 22215 | ||
| Shaft Size | 2-3/4 in | ||
| Shaft Size Type | Imperial | ||
| Full Timken Part Number | QMPXT15J212ST | ||
| Locking Style | Eccentric | ||
| Weight | 12.7 Kg 28 lb | ||
| Housing Construction | Two-Bolt Pillow Block | ||
| UPC Code | 0883450252560 | ||
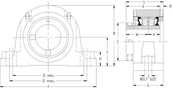
| Dimensions | |||
| Dimension A (type) | 88.9 mm 3.50 in | ||
|---|---|---|---|
| Dimension B (type) | 173.7 mm 6.84 in | ||
| Dimension C (type) | 101.9 mm 4.01 in | ||
| Dimension D (type) Max | 265.2 mm Series 10.44 in | ||
| Dimension D (type) Min | 230.1 mm 9.06 in | ||
| Dimension F (type) | 330.20 mm 13.000 in | ||
| Dimension Series G | 75.70 mm 2.980 in | ||
| Dimension H | 35.1 mm 1.38 in | ||
| Dimension J (Bolt Size) | 24 mm 0.875 in | ||
| Dimension K (type) | 31.Series 8 mm 1.25 in | ||
| Dimension L | 98.0 mm 3.86 in | ||
| Dimension Series M | 60.2 mm 2.37 in | ||
| Dimension R | 6.1 mm 0.24 in | ||
| Dimension S | 91.9 mm 3.62 in | ||
| Radial and Thrust Factors | |||
| C0 - Static Load | 54100 lb 240 kN | ||
|---|---|---|---|
| C (type) - Dynamic Load (Basic) | 49900 lb Series 222 kN | ||
| e - Geometry Factor | 0.22 | ||
| Y1 - Geometry Factor | 3.14 | ||
| Y2 - Geometry Factor | 4.67 | ||
| Engineering Seal Speed | |||
| Oil Lubrication - Series M/N (type) Seal | 1600 rpm | ||
|---|---|---|---|
| Oil Lubrication - T (type) Seal | 2900 rpm | ||
| Oil Lubrication - B (type)/C (type)/O Seal | 1300 rpm | ||
| Grease Lubrication - Series M/N (type) Seal | 1600 rpm | ||
| Grease Lubrication - T (type) Seal | 2400 rpm | ||
| Grease Lubrication - B (type)/C (type)/O Seal | 1300 rpm | ||
| Engineering Bearing Attributes | |||
| Float | 2.108 mm 0.083 in | ||
|---|---|---|---|
| Shaft Tolerance | 0.051 mm 0.0020 in | ||
| Engineering Internal Radial Clearance | |||
| Eng Internal Radial Clearance - Min | 0.0020 | ||
|---|---|---|---|
| Eng Internal Radial Clearance - Max | 0.0031 | ||
| Pre Install Clearance Min | 0.050 mm 0.0020 in | ||
| Pre Install Clearance Max | 0.080 mm 0.0031 in | ||
Company Profile|Andge Bearing
Andge Bearing is a global provider of specialized bearing products and solutions, dedicated to delivering efficient, flexible, and competitive product and service support to small and medium-sized bearing distributors worldwide.
We deeply understand the challenges SME bearing distributors face in daily operations—complex models, diverse demands, scattered orders, heavy inventory pressure, and high customer customization requirements. Based on this, Andge Bearing is committed to building a customer-centric, problem-solving service system that delivers truly valuable support to our partners.
Our Services
Diversified Product Supply
Covering both standard and non-standard bearing models to meet diverse industry and application needs.
Customized Solutions
Deliver tailored product matching, technical guidance, and customized services aligned with your market positioning and end-user requirements.
Flexible Collaboration Models
Support small-batch, multi-order procurement to reduce inventory and capital burdens.
Expert Support & Responsiveness
Ensure swift communication, clear selection recommendations, and reliable delivery to enhance operational efficiency.
Our Mission
To empower small and medium-sized bearing distributors worldwide by solving practical business challenges, enhancing their market competitiveness, and fostering sustainable growth.
Our Vision
To become the trusted long-term partner for global small and medium-sized bearing distributors, connecting markets worldwide through expertise, flexibility, and integrity.
1: We not only sell these trusted brands, but we can also customize bearing products according to your requirements.
2: Fast delivery is our strength, reaching 90% of global cities within 10 days.
3: We also provide technical support and after-sales service, with our engineers ready to assist you within 24 hours.
4: Payment is convenient and fast. We accept wire transfers, letters of credit, PayPal, Visa, MasterCard, Wise, Stripe, and WorldFirst.

