WELCOME TO WUXI ANDGE BEARING CO.,LTD.

Product Details
Andge Bearing Logo
 Product Details  
    SKF 16026/W64 *
    Brand: SKF
    Type series: Single row deep groove ball bearing with solid oil
    Model: 16026/W64 *
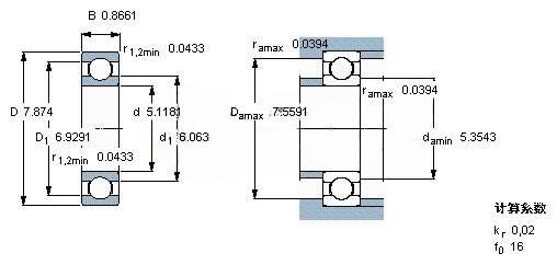
    Inner diameter : 130mm    Outer diameter : 200mm    Width : 22mm    Weight: 2.35Kg

    Product parameters

    Main dimensions
    d130mm-
    D (type)200mm-
    B (type)Series 22mm-
    Basic rated load
    C (type)83200N (type)Dynamic load
    C (type)081500N (type)Static load
    Fatigue load limit
    Pu2700N (type)-
    Limiting rotational speed
    Limiting rotational speed1800r/min-
    Weight
    Weight2.35Kg-
    Model
    * SKF ExplorerBearing16026/W64 *--
    *If any errors are found in the data, please contact customer service Error correction

    Company Profile|Andge Bearing

            Andge Bearing is a global provider of specialized bearing products and solutions, dedicated to delivering efficient, flexible, and competitive product and service support to small and medium-sized bearing distributors worldwide.

            We deeply understand the challenges SME bearing distributors face in daily operations—complex models, diverse demands, scattered orders, heavy inventory pressure, and high customer customization requirements. Based on this, Andge Bearing is committed to building a customer-centric, problem-solving service system that delivers truly valuable support to our partners.

    Our Services

            Diversified Product Supply

            Covering both standard and non-standard bearing models to meet diverse industry and application needs.

            Customized Solutions

            Deliver tailored product matching, technical guidance, and customized services aligned with your market positioning and end-user requirements.

            Flexible Collaboration Models

            Support small-batch, multi-order procurement to reduce inventory and capital burdens.

            Expert Support & Responsiveness

            Ensure swift communication, clear selection recommendations, and reliable delivery to enhance operational efficiency.

    Our Mission

            To empower small and medium-sized bearing distributors worldwide by solving practical business challenges, enhancing their market competitiveness, and fostering sustainable growth.

    Our Vision

            To become the trusted long-term partner for global small and medium-sized bearing distributors, connecting markets worldwide through expertise, flexibility, and integrity.

            1: We not only sell these trusted brands, but we can also customize bearing products according to your requirements.

            2: Fast delivery is our strength, reaching 90% of global cities within 10 days.

            3: We also provide technical support and after-sales service, with our engineers ready to assist you within 24 hours.

            4: Payment is convenient and fast. We accept wire transfers, letters of credit, PayPal, Visa, MasterCard, Wise, Stripe, and WorldFirst.

    Social Media - Click Here
    Facebook
    Facebook
    Instagram
    Instagram
    Linkedin
    Linkedin
    YouTube
    YouTube
    TikTok
    TikTok
    Online Customer Service - Scan the code
    WhatsApp
    WhatsApp
    TikTok
    TikTok
    E-mail:andrew@andgebearing.com
    Skype:andgebearing@gmail.com
    Featured Services
    Custom Bearing Specs
    Free Sample Shipping
    Fast In-Stock Delivery


    Exclusive Offers
    Bulk Order Discounts
    New Bearing Deals
    Sample Free Shipping
    Purchase Guide
    Model Search
    Inquiry Process
    Order Tracking


    Buyer Services
    Precise Search
    Custom Order
    Global Support
    Bearing Series
    Deep Groove Ball Bearings
    Self-Aligning Ball Bearings
    Cylindrical Roller Bearings
    Self-Aligning Roller Bearings
    Needle Roller Bearings
    Angular Contact Ball Bearings
    Tapered roller bearings
    Spherical plain bearings
    Well-known Brands
    TIMKEN Koyo SKF FAG NSK INA NTN IKO NACHI FYH HRB ZWZ LYC CU TWB