WELCOME TO WUXI ANDGE BEARING CO.,LTD.
Product parameters
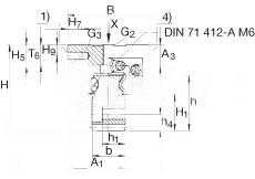
| Dimensions | |||
| h | 57 | mm | - |
|---|---|---|---|
| b | 34 | mm | Tolerance: -0,005 / -0,03 |
| L | 1680 | mm | single rootGuide railofMaximumLengthlongerGuide railcan be divided into several sectionsSupply,and label accordingly. Dimensionsfor35ofWithtoothGuide railofMaximumLengthl max: 1680 mm 1120 mm 560 mm TheseLengthofGuide railThe ends are cut diagonally,can be directlyUsed forGuide railconnection. |
| aL max | 71 | mm | a L and a R depending onGuide railofLength l max |
| aL min | 20 | mm | a L and a R depending onGuide railofLength l max |
| aR max | 71 | mm | a L and a R depending onGuide railofLength l max |
| aR min | 20 | mm | a L and a R depending onGuide railofLength l max |
| h1 | 22 | mm | - |
| h2 max | 5 | mm | - |
| h4 | 17 | mm | - |
| jL | 80 | mm | - |
| Description | |||
| 1) | LocatingSurface | ||
|---|---|---|---|
| 2) | mark | ||
| K1 | M8 | according to ISO 4762-12.9 ofInstallationscrews MaximumLocking torque(Nm): M6 = 17 M8 = 41 if possible,Measures should be taken to prevent screws from loosening. | |
| m | 3 | Modulus:rightOtherofModulus | |
| according to DIN3 975/76 Standard typeoftooth,Center distance and reduction ratio | |||
| Weight | |||
| mS | 14 | kg/m | Guide railofQuality |
|---|---|---|---|
Company Profile|Andge Bearing
Andge Bearing is a global provider of specialized bearing products and solutions, dedicated to delivering efficient, flexible, and competitive product and service support to small and medium-sized bearing distributors worldwide.
We deeply understand the challenges SME bearing distributors face in daily operations—complex models, diverse demands, scattered orders, heavy inventory pressure, and high customer customization requirements. Based on this, Andge Bearing is committed to building a customer-centric, problem-solving service system that delivers truly valuable support to our partners.
Our Services
Diversified Product Supply
Covering both standard and non-standard bearing models to meet diverse industry and application needs.
Customized Solutions
Deliver tailored product matching, technical guidance, and customized services aligned with your market positioning and end-user requirements.
Flexible Collaboration Models
Support small-batch, multi-order procurement to reduce inventory and capital burdens.
Expert Support & Responsiveness
Ensure swift communication, clear selection recommendations, and reliable delivery to enhance operational efficiency.
Our Mission
To empower small and medium-sized bearing distributors worldwide by solving practical business challenges, enhancing their market competitiveness, and fostering sustainable growth.
Our Vision
To become the trusted long-term partner for global small and medium-sized bearing distributors, connecting markets worldwide through expertise, flexibility, and integrity.
1: We not only sell these trusted brands, but we can also customize bearing products according to your requirements.
2: Fast delivery is our strength, reaching 90% of global cities within 10 days.
3: We also provide technical support and after-sales service, with our engineers ready to assist you within 24 hours.
4: Payment is convenient and fast. We accept wire transfers, letters of credit, PayPal, Visa, MasterCard, Wise, Stripe, and WorldFirst.

