WELCOME TO WUXI ANDGE BEARING CO.,LTD.

Product parameters
| Description | |||
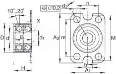
| 4 x M4 / 2 x M6 | Quantity x Fixing screw'sDimensions, According to DIN 912 Standard FixedScrewOfTightening torqueMust comply withFromManufacturerOfData. ScrewNot in scope of delivery. | ||
| 7 | μm | AxialRunout Screw supportBearingConfiguredAxialRunout based on inner ring rotation. | |
| ZM06 | Recommended INA Lock nutOfDesignation ForBearingUnitAxialLocating lock nut. It does not affectBearingPreload of. | ||
| Lock nut must be ordered separately. | |||
| Dimensions | |||
| d | 6 | mm | Tolerance: -0,008 |
|---|---|---|---|
| D (type) | 20.5 | mm | Tolerance: +0,03 / -0,01 |
| H | Series 13 | mm | Tolerance: -0,Series 5 |
| A (type)1 | 24 | mm | - |
| A (type)2 | 35 | mm | - |
| B (type) | Series 12 | mm | Tolerance: +0,25 |
| b | 6.6 | mm | - |
| D (type)aa min | Series 19 | mm | - |
| D (type)ai | 16 | mm | - |
| d1 | Series 10.4 | mm | - |
| d2 | 4.5 | mm | - |
| da | Series 8 | mm | - |
| Series M | Series 32 | mm | - |
| m | 26 | mm | - |
| n | 15 | mm | - |
| rmin | 0.3 | mm | - |
| X | Outer ring'sAxialAdjacent area | ||
| Weight | |||
| m | Series 23 | g | Mass |
|---|---|---|---|
| Basic rated load | |||
| C (type)r | 4100 | N (type) | Basic ratingDynamic load, Radial |
|---|---|---|---|
| C (type)0r | 2060 | N (type) | Basic ratingStatic load, Radial |
| C (type)a | 1340 | N (type) | Basic ratingDynamic load, Axial |
| C (type)0a | 1250 | N (type) | Basic ratingStatic load, Axial |
| Limiting rotational speed | |||
| nSeries G Fett | 28500 | r/min | Grease lubricationAtLimiting rotational speed |
|---|---|---|---|
| BearingFriction torque | |||
| Series MRL | 0.04 | Nm | BearingFriction torque |
|---|---|---|---|
| AxialRigidity | |||
| caL | 17 | N (type)/ m | AxialRigidity ThroughoutBearingStatistical average measured on. |
|---|---|---|---|
| Mass moment of inertia | |||
| Series Mm | 0.0014 | kg x cm^2 | Mass moment of inertia of rotating inner ring |
|---|---|---|---|
| Tightening torque | |||
| Series MA (type) | 2 | Nm | Tightening torque Only applicable toINAPrecision lock nut |
|---|---|---|---|
Company Profile|Andge Bearing
Andge Bearing is a global provider of specialized bearing products and solutions, dedicated to delivering efficient, flexible, and competitive product and service support to small and medium-sized bearing distributors worldwide.
We deeply understand the challenges SME bearing distributors face in daily operations—complex models, diverse demands, scattered orders, heavy inventory pressure, and high customer customization requirements. Based on this, Andge Bearing is committed to building a customer-centric, problem-solving service system that delivers truly valuable support to our partners.
Our Services
Diversified Product Supply
Covering both standard and non-standard bearing models to meet diverse industry and application needs.
Customized Solutions
Deliver tailored product matching, technical guidance, and customized services aligned with your market positioning and end-user requirements.
Flexible Collaboration Models
Support small-batch, multi-order procurement to reduce inventory and capital burdens.
Expert Support & Responsiveness
Ensure swift communication, clear selection recommendations, and reliable delivery to enhance operational efficiency.
Our Mission
To empower small and medium-sized bearing distributors worldwide by solving practical business challenges, enhancing their market competitiveness, and fostering sustainable growth.
Our Vision
To become the trusted long-term partner for global small and medium-sized bearing distributors, connecting markets worldwide through expertise, flexibility, and integrity.
1: We not only sell these trusted brands, but we can also customize bearing products according to your requirements.
2: Fast delivery is our strength, reaching 90% of global cities within 10 days.
3: We also provide technical support and after-sales service, with our engineers ready to assist you within 24 hours.
4: Payment is convenient and fast. We accept wire transfers, letters of credit, PayPal, Visa, MasterCard, Wise, Stripe, and WorldFirst.

